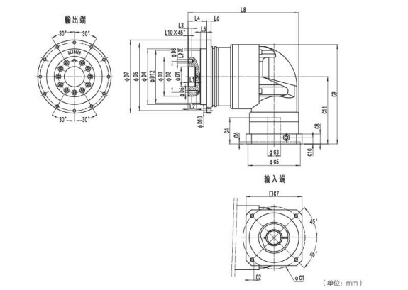
NDR140系列精密行星減速器型號尺寸與圖紙
NDR140系列精密行星減速器型號如下,不同廠家的行星減速機型號表示方式之間有差異,具體型號可咨詢客服了解,或者直接撥打我們的聯(lián)系方式。
NDR140系列超精密背隙行星減速機系列(P0): NDR140系列精密背隙行星減速器系列(P1): NDR140系列標準背隙行星減速機系列(P2):
NDR140-4-S2-P0 ,NDR140-4-S2-P1,NDR140-4-S2-P2,
NDR140-5-S2-P0,NDR140-5-S2-P1,NDR140-5-S2-P2,
NDR140-7-S2-P0,NDR140-7-S2-P1,NDR140-7-S2-P2,
NDR140-10-S2-P0,NDR140-10-S2-P1,NDR140-10-S2-P2,
NDR140-16-S2-P0 ,NDR140-16-S2-P1,NDR140-16-S2-P2,
NDR140-20-S2-P0,NDR140-20-S2-P1,NDR140-20-S2-P2,
NDR140-25-S2-P0,NDR140-25-S2-P1,NDR140-25-S2-P2,
NDR140-35-S2-P0,NDR140-35-S2-P1,NDR140-35-S2-P2,
NDR140-40-S2-P0,NDR140-40-S2-P1,NDR140-40-S2-P2,
NDR140-50-S2-P0,NDR140-50-S2-P1,NDR140-50-S2-P2,
NDR140-70-S2-P0,NDR140-70-S2-P1,NDR140-70-S2-P2,
NDR140-100-S2-P0,NDR140-100-S2-P1,NDR140-100-S2-P2,

如果對我們的產品感興趣,想了解更多可以添加我們的微信,撥打我們的聯(lián)系方式,我們有更詳細的資料,而且提供免費資料,免費為您的電機配型,想了解更多產品請打開鏈接:http://www.vem2.com/jsj/xxjsj/



