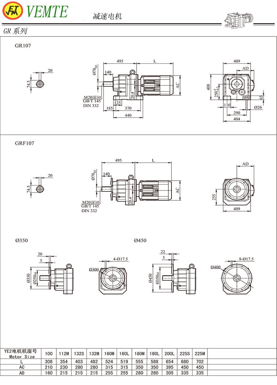
這是TR108減速機,TRF108減速機,TRX108減速器以及TRXF108齒輪減速機的具體的型號以及對應的安裝尺寸。而這TR108系列減速機對應的大眾型號為R107減速電機。
| TRF108-Y5.5-4P | TRX108-Y1.5-4P | TRXF108-Y1.5-4P |
| TRF108-Y7.5-4P | TRX108-Y2.2-4P | TRXF108-Y2.2-4P |
| TRF108-Y11-4P | TRX108-Y3-4P | TRXF108-Y3-4P |
| TRF108-Y15-4P | TRX108-Y4-4P | TRXF108-Y4-4P |
| TR108-Y5.5-4P | TRX108-Y5.5-4P | TRF108-Y1.5-4P |
| TR108-Y7.5-4P | TRX108-Y7.5-4P | TRF108-Y2.2-4P |
| TR108-Y11-4P | TRX108-Y11-4P | TRF108-Y3-4P |
| TR108-Y15-4P | TRX108-Y15-4P | TRF108-Y4-4P |
| TR108-Y18.5-4P | TRXF108-Y5.5-4P | TR108-Y1.5-4P |
| TR108-Y22-4P | TRXF108-Y7.5-4P | TR108-Y2.2-4P |
| TR108-Y30-4P | TRXF108-Y11-4P | TR108-Y3-4P |
| TR108-Y37-4P | TRXF108-Y15-4P | TR108-Y4-4P |
| TR108-Y45-4P | TRF108-Y18.5-4P | TRX108-Y18.5-4P |
| TRXF108-Y18.5-4P | TRF108-Y22-4P | TRX108-Y22-4P |
| TRXF108-Y22-4P | TRF108-Y30-4P | TRX108-Y30-4P |
| TRXF108-Y30-4P | TRF108-Y37-4P | TRX108-Y37-4P |
| TRF108-Y45-4P | TRX108-Y45-4P | TRXF108-Y37-4P |
下一篇:TR138系列齒輪減速機型號上一篇:TR98系列齒輪減速機型號
此文關鍵字:TR108系列齒輪減速機型號
















